V230/V231D self operated pressure regulating valve

V230/V231D self operated pressure regulating valve
  • sell:021-32051999
  • sell:021-32050777
  • fax:021-66099555

Details

  • Product Introduction
  • Service Promise
  • Ordering Process

V230D/V231D self-acting pressure (differential pressure) regulating valve is composed of membrane (piston) actuator, valve body, valve seat, valve core, balance spring and other components. It is a kind of valve which can automatically adjust the pressure without external energy and only rely on the change of the pressure of the regulated medium itself. It is produced by introducing the controlled medium into the actuator according to the mechanical principle. The energy-saving products with constant or reduced pressure in front or behind the valve are suitable for the pressure control of non-corrosive liquids, gases, steam and other media. They are widely used in petroleum, chemical, metallurgical, light industry and urban heating and heating systems.


Product characteristics of self operated pressure (differential pressure) regulating valve


The greatest characteristic of self-operated pressure (differential pressure) regulating valve is that it can work in the place without electricity and gas, and the pressure setting value can be adjusted at will during operation.


This product has nominal pressure PN1.6, 2.5, 4.0; nominal diameter range 20 300 mm; service temperature 300 Various varieties available.


Type specification of self pressure (differential pressure) regulating valve

category
Pressure control valve
Differential pressure control valve
Valve rear pressure regulating valve
Pressure regulating valve before valve
Differential pressure rising valve closing type
Differential pressure rising valve open type
Hard seal
Soft seal
Hard seal
Soft seal
Hard seal
Soft seal
Hard seal
Soft seal
Model
V230D01
V231D01
V230D02
V231D02
V230D03
V231D03
V230D04
V231D04
Specifications
DN15~200
Self operated pressure (differential pressure) regulating valve main parts material


Material code
C(WCB)
P(304)
R(316)
main
Spare parts
valve body
WCB(ZG230-450)
ZG1Cr18Ni9Ti(304)
ZG1Cr18Ni12Mo2Ti(316)
Valve core and valve seat
1Cr18Ni9Ti(304)
1Cr18Ni9Ti(304)
1Cr18Ni12Mo2Ti(316)
Stem
1Cr18Ni9Ti
1Cr18Ni9Ti
1Cr18Ni12Mo2Ti
diaphragm
EPDM或FKM夾纖維
Membrane cover
A3鋼鍍鋅
filler
聚四氟乙烯,柔性石墨
Spring
60Si2Mn


Main technical parameters of self operated pressure (differential pressure) regulating valve
Nominal pathDN(mm)
20
25
32
40
50
65
80
100
125
150
200
Rated discharge coefficientKv
6.3
8
16
20
32
50
80
125
160
320
450
Noise measurement coefficient Z value
0.6
0.6
0.55
0.55
0.5
0.5
0.45
0.4
0.35
0.3
0.2
Allowable pressure difference
1.6(MPa)
1.6
1.5
1.2
1.0
4.0(MPa)
2.0
1.5
1.2
1.0
Nominal pressure(MPa)
1.6 2.5 4.0
Adjustment precision(%)
±5
working temperature(℃)
Liquid < 140; Gas < 80; Condenser < 200; Condenser and radiator < 350; Condenser and extension < 300;
Applicable medium
Holding water, gas, steam, low viscosity medium
Pressure balance element
corrugated pipe
Rolldiaphragm
Allowable leakage
Hard seal(L/h)
Less than 4 * 10-4 * valve rated capacity
Soft seal
10Bubble/min
20Bubble/min
40Bubble/min
Maximum working pressureMPa
Relationship between Nominal pressure (delta Pmax and working pressure and working temperature)
Self actuating pressure (differential pressure) regulating valve actuator
Model
V230D01(D03) V231D01(D03)
V230D02(D04) V231D02(D04)
effective areacm2
32※
80※
250
630
32※
80※
250
630
Pressure setting rangeMPa
0.3~1.2
0.1~0.6
0.015~0.15
0.005~0.035
0.3~1.1
0.1~0.5
0.015~0.12
0.005~0.035
0.8~1.6
0.05~0.3
0.01~0.07
1.0~1.6
0.05~0.25
0.01~0.06
Ensure minimum pressure difference for normal working pressure.△P MPa
≥0.05
≥0.04
≥0.01
≥0.05
≥0.05
≥0.04
≥0.01
≥0.05
Allow maximum pressure difference between upper and lower membrane chambers.MPa
2.0
1.25
0.4
0.15
2.0
1.25
0.4
0.15
Tripmm
18
18
23
23
18
18
23
23
Control pipeline, connector
Copper tube or steel pipe 10 * 1; card sleeve joint R1/4 "

Note: the pressure setting range is not applicable to DN150~200.


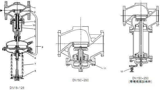
Self operated pressure (pressure difference) regulating valve structure

1
valve body
2
valve seat
3
Valve shaft
4
Valve cover
5
Membrane cover
6
diaphragm
7
Spring
8
Adjusting nut
9
Pressure tube
10
corrugated pipe
11
balancediaphragm
12
Filling valve
Main dimensions of self operated pressure (differential pressure) regulating valves
Body size
Nominal pathDN(mm)
15
20
25
32
40
50
65
80
100
125
150
200
L(mm)
130
150
160
180
200
230
290
310
350
400
480
600
B(mm)
212
212
238
238
240
240
275
275
380
380
295
325
Actuator size
effective areacm2
32
80
250
630
ΦR(mm)
172
172
263
380
H
D01(D03)
435
430
470
520
D02(D04)
440
435
440
520

The best quality, first-class service Qigao creates more value for you!

"Qigao Valve" expects to continuously improve service quality and strive for excellence. "Sincere service" is the eternal theme of "Qigao". "Qigao" strictly followsIS09001-2000 Quality system certification requirements, strict quality control, responsibility to people, to ensure the healthy operation of production, sales and service. Strengthen communication with users and provide quality products to our customers with perfection and perfect service. Hereby our factory makes the following commitments:

Product Standards:

Products in strict accordance with ChinaGB、HG Standard and USAPISuch as standard design, manufacturing, acceptance. The hardness of the sealing surface meets the requirements of the state and the width exceeds the national standard.

pre-sale service:

Product introduction, technical exchange, non-standard product design, troubleshooting。

Sale service:

A trustworthy contract guarantees timely delivery and keeps in touch with customers. For special or duplicate products, our factory arranges technicians to use and troubleshoot the products for users.

After sales service:

1、"Qigao" brand product quality period is from the factory12In the month, the implementation of the "three guarantees" service (return, replacement, warranty).

2、During the use of our products, our factory regularly organizes technical and quality inspection personnel to visit and consult users for feedback on product quality, usage status and improvement opinions, so as to further improve product quality.

3、Respond quickly to the quality of user complaints, after-sales service personnel rushed to the scene in 24-36 hours (48 hours outside the province).

4、For after-sales service, users are required to fill out the quality feedback information form after the service and make an appraisal opinion in order to improve the service quality of Qigao.

1、If the customer has special requirements for the product, the following instructions must be provided in the order contract.:

a、Structure length;

b、Connection Type;

c、Nominal diameter, full diameter, reduced diameter, pipe size;

d、Operating medium and temperature, pressure range;

e、Tests, inspection standards and other requirements

2、The factory can configure various types of driving devices according to customer's specific requirements.。

3、If the type and model of the valve are determined by the customer, the customer shall correctly state the meaning and requirements of the model and sign the contract under the condition that the supplier and the buyer understand each other.

4、For futures and order customers, please call us in advance to tell the required valve model, specification, quantity, delivery time and location, and timely transfer to the factory account according to the total 30% deposit or full payment. The rest of the payment is pending. Import before shipment to arrange delivery in time.

 

Order Process:

1、Customer purchase list fax to021-33872143,Or call us 021-33872141

2、Receive customer purchase list, provide valve model selection and quotation (price list)。

3、Specific agreement: delivery date, special requirements, etc.。

download Google:

1、If the customer has special requirements for the product, the following instructions must be provided in the order contract.:

a、Structure length;

b、Connection Type;

c、Nominal diameter, full diameter, reduced diameter, pipe size;

d、Operating medium and temperature, pressure range;

e、Tests, inspection standards and other requirements

2、The factory can configure various types of driving devices according to customer's specific requirements.。

3、If the type and model of the valve are determined by the customer, the customer shall correctly state the meaning and requirements of the model and sign the contract under the condition that the supplier and the buyer understand each other.

4、For futures and order customers, please call us first to tell the required valve model, specifications, quantity, delivery time and location, and press the total30%The deposit or full payment will be remitted to our factory account in time., The rest of the payment will be remitted before shipment to arrange delivery in time.。

Sale service:

Trustworthy contract, guarantee timely delivery, keep in touch with customers at any time。

For special or duplicate products, our factory arranges technicians to use and troubleshoot the products for users.

After sales service:

1、"Qigao" product quality period is from the factory12Month, practiceThree packsService (return, replacement, warranty)。

2、During the use of our products, our factory regularly organizes technical and quality inspection personnel to visit and consult users for feedback on product quality, usage status and improvement opinions.,
In order to further improve product quality。

3、Respond quickly to the quality of user complaints, after-sales service personnel24-36Hours (outside the province48Hour) rushed to the scene。

4、For after-sales service, the user is required to fill out the quality feedback information form after the service and make an appraisal opinion in order to improve the service quality of “Qigao”.。

statement

  1. All text, data and pictures in this article are for reference only.V230/V231D self operated pressure regulating valvePlease contact us at 4000-700-665 for details of performance, size and price.
  2. If there is no explanation, this article is original, reprint, please indicate the address of this article, thank you for your cooperation!